Производи
Производи
Цилиндар за влечење и подигање за земјоделски машини
  • Цилиндар за влечење и подигање за земјоделски машиниЦилиндар за влечење и подигање за земјоделски машини
  • Цилиндар за влечење и подигање за земјоделски машиниЦилиндар за влечење и подигање за земјоделски машини

Цилиндар за влечење и подигање за земјоделски машини

Како долгогодишен производител со корени во Кина, Raydafon донесе економични цилиндри за влечење и подигање за земјоделски машини во земјоделскиот сектор, потпирајќи се на сопствената фабрика и зрела технологија. Со својата разумна цена, таа стана доверлив снабдувач за многу земјоделци и задруги за земјоделска машини. Овој цилиндар за влечење и подигање за земјоделски машини е кован со задебелен легиран челик и зајакнат со седум процеси на гаснење. Лесно може да подигне земјоделски машини од 3 тони и е доволно моќен за подигање и спуштање на опремата за орање или за товарење и растоварување на приколки. Со доверлив квалитет и внимателна услуга по продажбата, цилиндрите за влечење и подигање за земјоделски машини на Raydafon му помагаат на земјоделското производство на различни места да работи ефикасно.

Towing And Lifting Cylinder For Agricultural Machinery

Карактеристики на производот

Raydafon, како кинески производител длабоко ангажиран во хидрауличната област, создаде рентабилен цилиндар за влечење и подигање за земјоделски машини со изработка на сопствените фабрички мајстори. Со разумна цена, таа стана доверлив снабдувач на многу фарми и фабрики за земјоделски машини. Овој цилиндар е дизајниран за сложени работни услови на обработливо земјиште, а неговите три основни предности ги олеснуваат земјоделските операции.


Моќен и издржлив, со целосна отпорност на ковање: Цилиндарот за влечење и подигање на Raydafon за земјоделски машини е кован со легиран челик за рударство, ѕидот на цилиндерот е 30% подебел и се зачукува преку осум процеси на гаснење, со цврстина споредлива со онаа на железничките пруги. Може стабилно да подигне 3,5 тони земјоделска механизација, а орањето и носењето тешка опрема не се никаков проблем. Површината е обложена со четири слоја антикорозивна обвивка. По две години континуирана употреба во солено-алкално земјиште и влажни оризови полиња, телото на цилиндерот е сè уште светло како ново без да истече капка масло.


Стабилен како планина, флексибилен за ракување: оригиналниот двонасочен хидрауличен систем за рамнотежа овозможува прецизно подигање и спуштање на цилиндерот за влечење и подигање за земјоделски машини на нерамни гребени. Вградениот сензор за притисок автоматски активира заштита при преоптоварување и го запира дејството во рок од 0,3 секунди.


Приспособено на барање, постпродажба без грижи: Поддржува целосно прилагодување на положбата на пристаништето за масло и должината на ударот и може да се прилагоди на старите модели и увезената земјоделска механизација. Монтажата бара само затегнување на неколку завртки, а обичните ракувачи со земјоделски машини можат да го направат тоа според упатствата. Поминал ISO 9001 и двојна сертификација за индустријата за земјоделски машини и одговорил во рок од 24 часа доколку има проблем. Производот на Raydafon е „тврдокорен помошник“ за намалување на трошоците и зголемување на ефикасноста во земјоделското производство.

Towing And Lifting Cylinder For Agricultural Machinery


Апликација за производ

Во операциите на орање, влечење и подигање цилиндри за земјоделски машини се „моќта“ на опремата за орање. Плугот за рикверц што го влече тракторот треба често да ја прилагодува длабочината на пенетрација во почвата. Цилиндарот за масло произведен од Raydafon може брзо и прецизно да го подига и спушта телото на плугот, а исто така може да врши сила стабилно кога ќе наиде на тврди блокови од земја, обезбедувајќи рамномерна длабочина на орање и значително подобрување на ефикасноста на орањето. Незаменлив е и во процесот на сеидба. На сеалката, цилиндерот за масло го контролира подигањето и спуштањето на мерачот на семето и притисокот на тркалото за притисок. Кога сее, цилиндерот за масло му овозможува на тркалото под притисок да ја набие почвата со соодветна сила за да обезбеди близок контакт помеѓу семето и почвата и да ја подобри стапката на никнување; при пренос на парцели, може брзо да го подигне мерачот на семето за да го олесни движењето на машината.


Во фазата на берба клучна улога игра цилиндарот за влечење и подигање за земјоделски машини на комбајнот. Откако ќе се наполни кутијата за жито, треба само да ракувате со цилиндерот за масло за лесно да ја подигнете кутијата за жито и брзо да го растоварате житото на транспортното возило. Целиот процес е мазен и заштедува труд. Покрај тоа, при бербата на паднатите култури, цилиндерот со масло може флексибилно да ја прилагоди висината на заглавјето за да обезбеди непречено берење. Дополнително, на опремата за транспорт на земјоделски производи, како што се земјоделските депонија, цилиндерот за масло го контролира подигањето и спуштањето на корпата. Кофата исполнета со слама и ѓубриво може автоматски да се навалува и истовари со туркање на цилиндерот за масло, што е неколку пати поефикасно од рачното ракување. Како добавувач кој испорачува директно од фабриката, Raydafon им обезбедува на земјоделците и на компаниите за земјоделски машини достапни и издржливи производи преку големо производство, помагајќи го секој чекор од земјоделското производство.

Towing And Lifting Cylinder For Agricultural Machinery


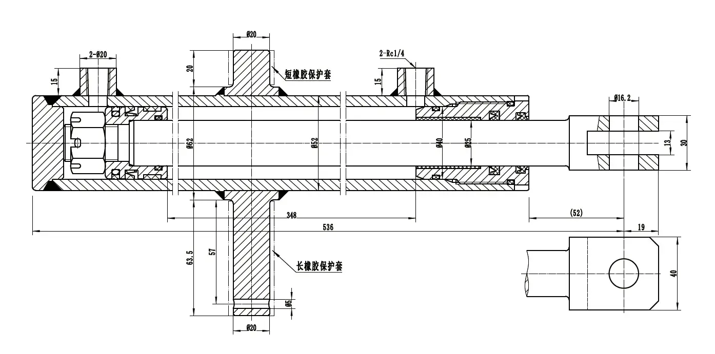
Параметар на производот:

Модел на цилиндри Спецификации Работен притисок Максимален отпорен притисок Патување Растојание за инсталација Тежина
HCYY11112017 Φ40×Φ25×348 16,7 MPa 24,5 MPa 348 536 6 кг

Towing And Lifting Cylinder For Agricultural Machinery



Жешки тагови: Цилиндар за влечење и подигање за земјоделски машини
Испрати барање
Контакт Инфо
  • Адреса

    Индустриска област Луотуо, округ Женхаи, градот Нингбо, Кина

  • Е-пошта

    [email protected]

За прашања за хидраулични цилиндри, менувачи, PTO вратила или ценовник, ве молиме оставете ни ја вашата е-пошта и ние ќе стапиме во контакт во рок од 24 часа.
X
Ние користиме колачиња за да ви понудиме подобро искуство во прелистувањето, да го анализираме сообраќајот на страницата и да ја персонализираме содржината. Со користење на оваа страница, вие се согласувате со нашата употреба на колачиња. Политика за приватност
Отфрли Прифати