QR код
Производи
Контактирајте не


Факс
+86-574-87168065

Е-пошта

Адреса
Индустриска област Луотуо, округ Женхаи, градот Нингбо, Кина
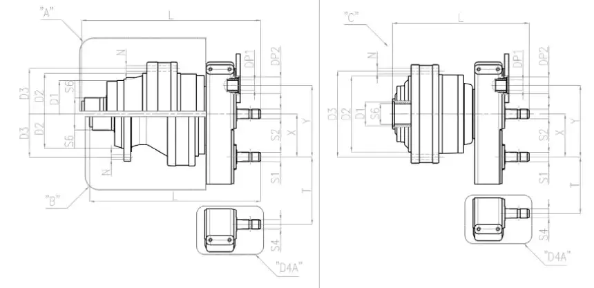
| Модел | PG-702 | PG-1002 | PG-1602 | PG-1802 | PG-2502 | PG-3002 | PG-3503 | |||
| Сооднос i | 18.2 | 18.3 | 13,4-33,6 | 15,7-29,9 | 14,6-20-36,2 | 45.3 | 53.7 | |||
| Тип на излез | B | B | B | C | B | C | A | C | C | C |
| Д1 |
|
|
|
88 HB |
|
88 HB | 245F7 | 102H7 | 102H7 | 122 HF |
| Д2 | 200F7 | 230F7 | 230F7 | 278F7 | 230 F | 278F7 | 340F7 | 340F7 | 340F7 | 340F7 |
| Д3 | 250 | 295 | 295 | 314 | 295 | 314 | 370 | 370 | 370 | 370 |
| N | ∅15×N°12 | ∅17×N°10 | ∅17×N°10 | ∅15×N°18 | ∅17×N°10 | ∅15×N°18 | ∅17×N°15 | ∅17×N°15 | ∅17×N°15 | ∅17×N°15 |
| L | 646.5 | 627.5 | 693 | 490.5 | 714 | 499.5 | 798.5 | 595.5 | 601 | 680.5 |
| S6 | 70*64 DIN5482 | 80*74 DIN5482 | 100*94 DIN5482 | 80*74 DIN5482 | 100*94 DIN5482 | 80*74 DIN5482 | 100*94 DIN5482 | 100*94 DIN5482 | 100*94 DIN5482 | 120*22*5 DIN5482 |
| S1 | 1" 3/8 Z6 | 1" 3/8 Z6 | 1" 3/8 Z6 | 1" 3/8 Z6 | 1" 3/8 Z6 | 1" 3/8 Z6 | 1" 3/8 Z6 | 1" 3/8 Z6 | 1" 3/8 Z6 | 1" 3/8 Z6 |
| S2 | 1" 3/8 Z6 | 1" 3/8 Z6 | 1" 3/8 Z6 | 1" 3/8 Z6 | 1" 3/8 Z6 | 1" 3/8 Z6 | 1" 3/8 Z6 |
|
|
|
| DP1 | 40*36 DIN5482 | 40*36 DIN5482 | 40*36 DIN5482 | 40*36 DIN5482 | 40*36 DIN5482 | 40*36 DIN5482 | 40*36 DIN5482 | 40*36 DIN5482 | 40*36 DIN5482 | 40*36 DIN5482 |
| DP2 | 60,3 HB | 60,3 HB | 60,3 HB | 60,3 HB | 60,3 HB | 60,3 HB | 60,3 HB | 60,3 HB | 60,3 HB | 60,3 HB |
| X | 157 | 157 | 157 | 157 | 157 | 157 | 157 | 157 | 157 | 157 |
| Y | 262 | 262 | 262 | 262 | 262 | 262 | 262 | 262 | 262 | 262 |
| S4 |
|
|
|
1" 3/8 Z6 |
|
1" 3/8 Z6 |
|
1" 3/8 Z6 | 1" 3/8 Z6 | 1" 3/8 Z6 |
| T |
|
|
|
156.8 |
|
156.8 |
|
156.8 | 156.8 | 156.8 |
| Модел | Сооднос i | Д1 | Д2 | Д3 | Д4 | N | E |
| PG-1602 | 22.14-33.6 | 80*74 DIN5482 | 225 F7 | 278 F7 | 314 | ∅15×N°18 | SAE B/SAE C |
| PG-2502 | 20-36,2 | 100*94 DIN5482 | 245 F7 | 340F7 | 370 | ∅17×N°15 | SAE B/SAE C |
| Модел | Сооднос i | Д1 | Д2 | Д3 | N | E |
| PG-161 | 3,55-2,49-5,60 | 40*36 DIN5482 | 110 F7 | 165 | ∅10,5×N°8 | SAE A/SAE B/SAE BB/OMTS |
| PG-251 | 4.13-5.17-6.00 часот | 58*53 DIN5482 | 150 F7 | 195 | ∅13×N°10 | SAE A/SAE B/SAE BB/OMTS |
| PG-501 | 4.13-5.17-6.00 часот | 58*53 DIN5482 | 150 F7 | 195 | ∅13×N°10 | SAE A/SAE B/SAE BB/OMTS |
Развојот наПланетарен менувач на миксер од серијата PGпроизлегува од длабокиот увид во точките на болка на системот за пренос на традиционалната опрема за мешање. Неговата архитектура на трансмисија со дистрибуирани три планетарни запчаници не е едноставно натрупување на механички структури, туку преку повторена симулација на стресните услови под различни соодноси на суровина, конечно се одредува златната комбинација на модул на менувачот, ширина на забот и агол на спиралата. На пример, кога се обработуваат стебленца од пченка и мешавини од оброци од соја, неговиот уникатен дизајн на инволвирани заби може да го намали ризикот од заглавување на материјалот за 15%. Со процесот на мелење со висока прецизност, грубоста на површината на забот се контролира под Ra0,8, што ја зголемува ефикасноста на преносот за 8%-10% во споредба со традиционалните менувачи. Измерените податоци на фабрика за добиточна храна покажуваат дека за 12 часа континуирана работа дневно, потрошувачката на енергија на овој менувач е за 14% помала од онаа на слични производи, а амплитудата на флуктуација на вртежниот момент на вратилото за мешање е намалена за 22%, што значително ја подобрува униформноста на мешањето.
За тврдите честички како песок, камен и метални остатоци кои често се мешаат во суровини за храна, овој менувач е насочен во однос на материјалите и процесите. Телото на менувачот е изработено од легиран челик 20CrMnTi. По третманот со гаснење со длабочина на карбуризирање од 1,2 mm, во комбинација со процес на калење на ниски температури, јачината на замор на свиткување на коренот на забот се зголемува на повеќе од 850 MPa. Под екстремни работни услови на нецелосно скрининг на суровини во ранчот, неговата отпорност на дупчење издржа континуирано 500-часовен тест на удар на песок и чакал, а на површината на забот се појавија само мали гребнатини без лупење. Во исто време, со оптимизирање на распоредот на ребрата плоча и носење однапред оптоварување на планетарниот носач, менувачот сè уште може да ја одржува прецизноста на менувачот кога е подложен на моментален удар од 1,5 пати поголем од номиналниот вртежен момент, избегнувајќи го ризикот од неусогласеност на брзината или кршење на забите предизвикани од преоптоварување.
Интелигентниот дизајн на менувачот е изведен од длабокото разбирање на болните точки при работа и одржување во индустријата за преработка на добиточна храна. Неговиот вграден интелигентен модул за следење не е едноставен собирач на податоци, туку вкрстена анализа на температура, вибрации, струја и други сигнали преку алгоритамски модел. На пример, кога ќе се открие дека температурата на лежиштето е ненормално висока, системот ќе ги комбинира податоците за историјата на оптоварување за да утврди дали се работи за недоволно подмачкување или абење на лежиштето и ќе ги притисне специфичните препораки за одржување. По примената на овој систем, една компанија за добиточна храна избегна три непланирани прекини со однапред замена на маснотиите и прилагодување на просторот на лежиштето, а вкупната ефикасност на опремата (OEE) се зголеми за 18%. Дополнително, дизајнот на неговата модуларна структура со брзо ослободување беше инспириран од повратните информации на персоналот за одржување на првата линија. Само четири завртки треба да се олабават за да се заврши целосната замена на планетарниот комплет, а времето на одржување е скратено од 4 часа од традиционалната структура на 1,5 часа.
Во однос на заштитата на животната средина и оптимизацијата на енергетската ефикасност, иновативниот дизајн на менувачот произлегува од прецизното разбирање на потребите на индустријата за добиточна храна за намалување на трошоците и зголемување на ефикасноста. Неговата структура за дисипација на топлина не слепо ја зголемува површината на дисипација на топлина, туку го оптимизира спиралниот агол и растојанието на ребрата за дисипација на топлина преку симулација на механика на течности, така што природната ефикасност на дисипација на топлина се зголемува за 30%, со што се намалува потрошувачката на енергија на вентилаторот за ладење. Во системот за подмачкување, технологијата за снабдување со масло со две зони е усвоена за динамичко прилагодување на волуменот на маслото според оптоварувањето, избегнувајќи го методот на подмачкување „поплавување“ на традиционалните менувачи и намалувајќи ја потрошувачката на лубрикант за 25%. Вистинското мерење на линијата за производство на добиточна храна извезена во Европа покажува дека нивото на бучава на менувачот е 5dB пониско од стандардот на ЕУ, а неговото ниво на енергетска ефикасност го достигнува стандардот IE3, помагајќи им на клиентите успешно да го поминат сертификатот за енергетска ефикасност на земјата увозник. Овој дизајн концепт кој длабоко ги поврзува техничките детали со комерцијалната вредност е клучот за пазарното признавање на производот.
Здраво! Јас сум Елена Гарсија, клиент од Барселона, Шпанија. Го користиме вашиот планетарен менувач во нашиот систем за следење на фотоволтаични панели веќе една и пол година. Оваа опрема целосно го реши нашиот проблем со точноста на следењето на сончевата светлина - менувачот што го користевме претходно секогаш имаше отстапување од следење од околу 5 степени секое утро и навечер, додека вашиот планетарен менувач со енкодер може да ја контролира грешката во следењето во рок од 0,5 степени. Сега просечното дневно производство на електрична енергија на фотоволтаични панели е зголемено за 18% во споредба со претходно, па дури и сметката за електрична енергија стана значително потенка. Сега овој планетарен менувач го издржа тестот на прскање со сол и силни ветрови во фотоволтаичната централа на морскиот брег. Антикорозивната обвивка на куќиштето на менувачот не покажа знаци на паѓање, а внатрешното масло за менувачот не треба да се менува толку често како порано. Со нетрпение очекувам да работам со вас во повеќе проекти за обновлива енергија во иднина!
Јас сум Ханс Милер, машински инженер од Германија. Пред половина година ги купив планетарните менувачи на Raydafon за надградба на производната линија. Откако ги користев, тие ги надминаа моите очекувања! Опремата работи со големо оптоварување 16 часа на ден за обработка на суровини со висок вискозитет. Бучавата од менувачот е намалена за 20%, ефикасноста на преносот е стабилна на повеќе од 94%, порастот на температурата секогаш се контролира во рамките на 25°C, а издржливоста е далеку подобра од старите модели. Вашиот тим беше професионален и ефикасен во текот на целиот процес, од рана оптимизација на параметрите, прилагодување на структурата на запечатување до далечинско насоки за отстранување грешки. Деталниот дизајн (како што се заптивките отпорни на прав и стандардизираните дупки за монтирање) дополнително го одразуваат длабокото разбирање на вистинските работни услови. Квалитетот на производот и нивото на услуга на Raydafon ме натераа без двоумење да го вклучам во листата на долгорочни добавувачи и силно да им го препорачам на моите врсници!
Водам ранч толку години и сменив многу менувачи. Дури кога го користев планетарниот менувач на Raydafon, навистина сфатив што значи да се биде безгрижен! Опремата што ја користев претходно секогаш беше недоволна моќ при мешање силажа, а брзините често се лизгаа. Не очекував дека вашиот планетарен менувач ќе биде толку моќен. Вашиот производ е многу поедноставен за инсталирање отколку што мислев, а исто така е лесен за одржување. Последен пат кога сам направив дневен преглед, открив дека менувачот е многу добро затворен и воопшто нема знаци на истекување на масло. Дефинитивно ќе продолжам да ве поддржувам и во иднина и да ве препорачувам на моите пријатели ранчери! ----Марк Џонсон
Адреса
Индустриска област Луотуо, округ Женхаи, градот Нингбо, Кина
тел
Е-пошта


+86-574-87168065


Индустриска област Луотуо, округ Женхаи, градот Нингбо, Кина
Авторски права © Raydafon Technology Group Co., Limited Сите права се задржани.
Links | Sitemap | RSS | XML | Политика за приватност |
