QR код
Производи
Контактирајте не


Факс
+86-574-87168065

Е-пошта

Адреса
Индустриска област Луотуо, округ Женхаи, градот Нингбо, Кина
Ако на вашата тешка машинерија - мислите на градежната опрема што влече товари цел ден или земјоделските жетвари што работат непрекинато во текот на сезоната на садење - има потреба од спојка што одговара на тесни простори, но сепак испорачува голем вртежен момент, универзалната спојка за спојување на Raydafon SWP-G Super Short Flex е токму она што го барате. Направен е специјално за оние компактни поставки каде што секој инч е важен, без да се штеди на потребната моќност.
Прво, ајде да зборуваме за неговата големина: тој „супер краток“ дизајн не е само етикета - тој е направен да се притисне во тесни точки што другите спојки не можат да ги достигнат, што е спас кога компонентите на вашата машина се спакувани блиску една до друга. Неговите дијаметри на вртење се движат од 225 mm до 350 mm, така што се вклопува директно во поставките за тешка опрема со средна големина. Како кратка флексибилна универзална спојка за спојување, се справува со до 5 степени на аголна неусогласеност - доволно за да се земат предвид малите поместувања што се случуваат кога машината работи тешко - додека носи вртежен момент до 224 kN·m. И има вграден флексибилен елемент, кој ги впива ударите и вибрациите, така што другите делови не го поднесуваат товарот на абењето.
Ние не ги скративме ниту материјалите. Направен е со челик со висока цврстина за издржливост и бронзени компоненти кои додаваат мазност на неговото движење - така што се држи до грубоста на градилиштата или прашината и остатоците од полињата на фармите. Затоа е врвен избор за универзални спојки за тешки машини; не функционира само еднаш - продолжува, дури и кога условите стануваат неуредни. За земјоделците, тоа е исто така сигурна флексибилна спојка за земјоделска опрема, доволно цврста за да се справи со долгите часови на сезоната на жетва без да се расипе.
Во Raydafon, нашето производство во Кина се придржува строго до стандардите ISO 9001 - секоја SWP-G спојка се проверува за квалитетот, од челикот што го користиме до вклопувањето на флексибилниот елемент. Знаеме дека нема две исти работни места, па затоа нудиме и приспособени решенија - без разлика дали ви треба мало прилагодување на големината или специфично прилагодување за вашата опрема. И најдобро од сè, има конкурентна цена - добивате издржлива универзална спојка за спојување што одговара на вашиот простор и вашиот буџет. За секој што е уморен од преголеми, премногу слаби или прескапи спојки, овој SWP-G модел е решението без врева и со високи перформанси што го барате.
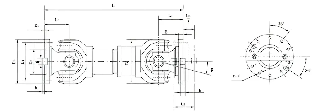
| Модел | SWP225G | Серија 250 гр | SWP285G | SWP315G | SWP350G | |
| D | 225 | 250 | 285 | 315 | 350 | |
| Тн кн.м | 56 | 80 | 112 | 160 | 224 | |
| Тф КН.м | 28 | 40 | 56 | 80 | 112 | |
| β≤ | 5° | 5° | 5° | 5° | 5° | |
| Големина (мм) | S | 40 | 40 | 40 | 40 | 50 |
| L | 470 | 600 | 665 | 740 | 850 | |
| D | 275 | 305 | 348 | 360 | 405 | |
| Д1 | 248 | 275 | 314 | 328 | 370 | |
| D2 (H7) | 135 | 150 | 170 | 185 | 210 | |
| E | 15 | 15 | 18 | 18 | 22 | |
| Е1 | 5 | 5 | 7 | 7 | 8 | |
| б-ч | 32-18 | 40-18 | 40-24 | 40-24 | 50-32 | |
| h1 | 9 | 9 | 12 | 12 | 16 | |
| L1 | 80 | 100 | 120 | 135 | 150 | |
| n-d | 10-15 | 10-17 | 10-19 | 10-19 | 10-21 | |
| М(кг) | 78 | 142 | 190 | 260 | 355 | |
* Забелешка: примери за обележување: дијаметар на вртење D=315mm, должина на рата L=620mm, тип G-Кратко без флекс тип Спојка SWP315GX620
Универзалната спојка на Raydafon SWP-G Super Short Flex тип е изградена за оние тесни места каде што ви треба и флексибилност и моќ. Направен е ефикасно да го движи вртежниот момент во простори кои немаат простор за гломазни делови, дури и кога шахтите не се совршено порамнети. Ова не е било каква спојка - тоа е универзална спојка со висок вртежен момент што свети кога ви треба кратка должина, но одбивате да штедите на перформансите, дури и при тешки товари.
Земете ја на пример градежната опрема и тешките машини. Багери кои копаат во тврда почва, натоварувачи кои преместуваат тони материјал - сите тие имаат тесни простори каде што деловите се тријат блиску еден до друг. SWP-G точно се вклопува како сигурна универзална спојка за индустриски машини, апсорбирајќи вибрации и справувајќи се со постојаното движење со кое се справуваат овие машини. Неговиот супер краток дизајн се лизга во тесни склопови без гужва, осигурувајќи се дека струјата ќе стигне таму каде што треба да оди без да ја жртвува издржливоста или колку добро функционира.
И земјоделците ќе го ценат тоа. Трактори кои ораат нерамни полиња, жетвари кои работат низ груб терен - им требаат спојки што можат да бидат во чекор со трнливите возења и менување на брзината. Овој SWP-G делува како цврста универзална спојка за погонски вратила во земјоделска опрема, приспособувајќи се на аголните неусогласувања што доаѓаат со работа надвор од патот. Тоа значи помалку абење на машината, така што ќе трае подолго дури и кога условите на теренот стануваат груби.
Тоа го сакаат и морските поставки, особено во тесните моторни прегради на чамците. Солената вода и влагата немаат шанса против нејзината градба отпорна на корозија, што го прави врвен избор како морска универзална спојка за спојување. Се справува со динамичните оптоварувања од брановите и притискањето на погонските системи, одржувајќи ги работите непречено без разлика дали сте на море или во прометно пристаниште.
И да не заборавиме на обновливата енергија - турбините на ветер што се вртат високо, соларни тракери кои се движат со сонцето. На овие системи им е потребна прецизна контрола во ограничени простори, а SWP-G се засили како разноврсна универзална спојка за опрема за обновлива енергија. Управува со висок вртежен момент без многу повратни реакции, така што добивате сигурни перформанси со мала потреба од одржување - совршен за одржување на силни одржливи енергетски системи.
Во Raydafon, ние не го продаваме само SWP-G - ние го приспособуваме на вашите потреби. Без разлика дали работите на градежна опрема, земјоделски машини, чамци или поставки за обновлива енергија, можеме да ја приспособиме точно да одговара на она што го градите. Ако сакате да видите како оваа спојка може да ги направи вашите операции помазни, само контактирајте со нашиот тим. Ќе ви покажеме зошто тоа е паметен избор за тесни простори и тешки работи.
Универзалната спојка на Raydafon SWP-G Супер краток свитлив тип се издвојува прво по својата компактна конструкција - ова нешто е дизајнирано да се притисне во тесни механички поставки каде што просторот е врвен, но никогаш не штеди на флексибилност или вртежен момент. Ако се занимавате со работи со висок вртежен момент, тоа е врвна универзална спојка за спојување со висок вртежен момент: има напредни флексибилни елементи кои му дозволуваат да се справи со прилично големи аголни неусогласувања без да ги нарушува перформансите, што ја менува играта за динамични средини каде вратилата се менуваат додека работи машините.
Издржливоста е уште една голема победа овде. Ние користиме цврсти материјали со висока цврстина и го градиме секој дел со прецизност, така што се спротивставува на абење и замор дури и кога работи без престан. Тоа го прави солидна универзална спојка за индустриски машини - замислете пумпи кои работат цел ден или компресорите под постојано оптоварување. Ги впива ударите и вибрациите, одржувајќи го преносот на енергија стабилен за вашата опрема да не се напрега непотребно.
Неговата супер кратка должина е спас и за погонските системи. Кога работите на автомобилски или транспортни поставки, секој инч е важен - и оваа спојка се вклопува како ефикасна универзална спојка за спојување на погонските вратила. Користи врски со завртки или клучеви, така што неговото прицврстување е брзо и го намалува времето за одржување подоцна. Плус, добро се справува со аксијалните движења, така што не мора да се грижите дали ќе се лизне или не се прилагоди додека деловите се менуваат за време на употребата.
Отпорност на корозија? Тоа е покриено. Додаваме заштитни облоги што се спротивставуваат на груби работи - како солена вода во морски поставки. Затоа работи одлично како морска универзална спојка за погонски системи: може да се справи со прскањето со сол и променливите оптоварувања на море без да рѓосува или да се расипе, одржувајќи ги чамците непречено.
И ако сте фокусирани на еколошки поставки, оваа спојка испорачува и таму. Пренесува енергија прецизно со едвај никаков одговор, така што не троши енергија. Тоа го прави сигурна универзална спојка за опрема за обновлива енергија - совршена за турбини на ветер што се вртат на ветер или сончеви тракери што се движат со сонцето. Тоа го одржува ефикасното функционирање на одржливите системи, што е токму она што ви треба за проектите за зелена енергија.
Во Raydafon, ние се погрижуваме секој SWP-G да ги исполнува строгите стандарди за квалитет и можеме да го прилагодиме за да одговара на вашите специфични потреби - без разлика дали ви треба различен слој, малку приспособена должина или приспособена врска. Ако сакате да дознаете повеќе за неговите спецификации или како да го интегрирате во вашето поставување, само разговарајте со нашите специјалисти. Ние ќе ви помогнеме да го добиете токму она што го бара вашата машина.
⭐⭐⭐⭐⭐ Ли Џијан, виш инженер, Шангај индустриска опрема Co., Ltd.
На нашата производна линија веќе неколку месеци ја имаме SWP-G Super Short Flex Type Universal Joint Coupling на Raydafon и тој искрено го надмина она на што се надевавме. Нашите машини отсекогаш биле тесни за простор - секој инч е важен - и компактен дизајн на оваа спојка се вклопува како да е направен само за нив, нема повеќе стискање делови за да се направи простор. Но, не ја штеди ни функцијата: дури и кога има мало неусогласеност (што е неизбежно со тешка употреба), неговата флексибилност го одржува преносот на енергија непречен, без потреси или икање.
Тешко е, исто така - се справува со задачи со висок вртежен момент без да се поти, и по месеци трчање, едвај видовме никакво абење. Инсталирањето беше брза работа, исто така; нашиот тим го постави за кратко време и оттогаш е сигурен. За секој со опрема со ограничен простор на кој сè уште му требаат тешки перформанси, оваа спојка е бесмислена.
⭐⭐⭐⭐⭐ Емили Вокер, технички директор, New York Manufacturing Solutions, САД
Ги заменивме нашите стари, обемни спојки за SWP-G на Raydafon во нашиот објект во Њујорк, а разликата беше очигледна уште од првиот ден. Тие стари единици заземаа премногу простор и секогаш се чувствуваа незгодно - но овој се вклопува во тесните точки и преносот на енергија? Мазно и стабилно, дури и кога ги притискаме машините да се справат со високи оптоварувања.
Најголемата победа, сепак, е прекинот. Го прекинувавме производството на секои неколку недели за да ги дотеруваме или поправиме старите спојки, но со оваа? Ретко кој. Трошоците за одржување исто така се намалени - нема почести замени делови или итни поправки. И кога имавме прашање за инсталацијата, службата за корисници на Raydafon ни се врати брзо со јасни одговори. Веќе планираме да ги користиме нивните производи за нашата следна надградба; тие ја заслужија нашата доверба.
⭐⭐⭐⭐⭐ Андреа Роси, оперативен менаџер, Милан инженеринг, Италија
Додавањето на спојката SWP-G на Raydafon на нашата миланска машинерија беше еден од најдобрите повици што ги направивме за нашата работа со висока прецизност. Во нашата линија на работа, просторот и порамнувањето се скршени - ако некој дел е преголем или не може да се справи со мали неусогласености, го отфрла целиот процес. Оваа спојка ги проверува двете полиња: нејзината мала големина одговара на нашите тесни поставки, а флексибилниот дизајн ги одржува операциите непречени, без разлика на малите прилагодувања што ни се потребни.
Откако го инсталиравме, имавме многу помалку главоболки за одржување - нема повеќе да го запираме производството за да ги поправиме проблемите со усогласувањето или да ги замениме истрошените делови. И кога го работиме со големи брзини (што го правиме секојдневно), тој се држи совршено. Во однос на издржливоста, тој исто така го надмина она што го очекувавме - по месеци напорна употреба, сè уште изгледа и делува како нов. Ако ви треба висококвалитетна спојка за прецизна работа, Raydafon е вистинскиот пат.
⭐⭐⭐⭐⭐ Жан-Клод Лефевр, супервизор за одржување, Лион Механички работи, Франција
Ја користиме спојката SWP-G на Raydafon во нашите машини повеќе од шест месеци, и таа ја промени играта за нашиот тим. Прво, компактниот дизајн - нашата опрема има толку тесни простори и оваа спојка се лизга веднаш без да ни треба да ги преуредиме другите делови. Потоа, тука е флексибилноста: го отстранува стресот од нашите машини, што значи помалку абење на другите компоненти и помалку дефекти.
Дури и кога работиме со тешки товари, неговите перформанси остануваат конзистентни - без падови, без чудни звуци, само доверлива работа. Инсталирањето беше исто така едноставно; нашите техничари не требаше да трошат часови за да го откријат тоа. Најдобриот дел? Ефикасноста на нашата производна линија сега е многу зголемена, благодарение на помалкуто време на застој. Апсолутно ќе продолжиме да ги користиме производите на Raydafon - оваа спојка докажа дека вреди.
Универзалната спојка на Raydafon SWP-G Super Short Flex тип функционира со користење на флексибилен пренос на вртежен момент - замислете го како мост помеѓу вратилата што може малку да се движи без да ја прекине врската. Користи еластомерни елементи (фенси за флексибилни, гумени делови) за да се справи со неусогласеноста, а сето тоа обезбедувајќи дека струјата доаѓа од едно вратило до друго без трошење енергија. Како компактна универзална спојка со висок вртежен момент, има централен флексибилен диск или пајак што ги впива аголните, аксијалните и радијалните поместувања - па дури и кога шахтите не се совршено наредени, ротацијата останува мазна, дури и во оние тесни простори каде што секој инч е важен.
Срцето на тоа како функционира е во неговиот супер краток дизајн. Комбинира цврсти, флексибилни компоненти кои можат малку да се свиткаат под оптоварување за да ги надополнат отстапувањата, што спречува премногу стрес да не ја погоди машината. Затоа е толку цврста универзална спојка за индустриски машини - без разлика дали се менуваат брзините или оптоварувањата, тој поминува ротациона сила заедно со едвај никаков повратен удар, така што вашата опрема останува стабилна.
Ова е дефектот: влезното вратило се врти, што го придвижува флексибилниот елемент, а тој елемент потоа го пренесува вртежниот момент до излезната осовина со самото виткање - без грчеви, без ненадејни запирања. Ова е голема работа за погонските вратила, што го прави сигурна универзална спојка за погонски вратила во поставки како автомобилски погонски склопови, каде што ви треба прецизно усогласување, но немате многу простор за работа.
Кога работите стануваат груби - како во морските средини со бранови што го фрлаат чамецот наоколу - флексибилниот дизајн на SWP-G ги впива вибрациите и ударите, што му помага да трае подолго. Тоа е цврста морска универзална спојка за спојување бидејќи тие флексибилни делови се спротивставуваат на корозија и се справуваат со движењето напред-назад од брановите, одржувајќи го погонот ефикасен без разлика колку водата станува немирна.
А за поставките за зелена енергија? Овој принцип свети и таму. Ефикасно ја движи енергијата, со речиси никакви загуби, што го прави одлична универзална спојка за обновлива енергија за опремата за обновлива енергија. Без разлика дали се работи за компактни сончеви тракери или мали турбини на ветер, тој ги одржува работите непречено без трошење на енергија - совршен за одржливи системи каде што секој дел од ефикасноста е важен.
Во Raydafon, ние го градиме SWP-G за да биде сигурен и подготвен да одговара на вашите специфични потреби. Ако сакате технички детали или ви треба помош за да дознаете како се вклопува во вашата поставка, нашите специјалисти се тука да ве проучат - без жаргон, само директни одговори.
Адреса
Индустриска област Луотуо, округ Женхаи, градот Нингбо, Кина
тел
Е-пошта


+86-574-87168065


Индустриска област Луотуо, округ Женхаи, градот Нингбо, Кина
Авторски права © Raydafon Technology Group Co., Limited Сите права се задржани.
Links | Sitemap | RSS | XML | Политика за приватност |
