QR код
Производи
Контактирајте не


Факс
+86-574-87168065

Е-пошта

Адреса
Индустриска област Луотуо, округ Женхаи, градот Нингбо, Кина
Универзалната спојка на Raydafon SWC-DH за заварување со краток флекс тип е изградена за поврзување на неусогласени вратила во опрема за тешка работа - мислите на валавници, дигалки и машини за обработка на челик. Тоа е компактна кратка флексибилна универзална спојка, со дијаметар на вртење што се движи од 45 mm до 390 mm. Дури и кога шахтите се исклучени до 25 степени (аголна неусогласеност), сепак ефикасно го придвижува вртежниот момент - максимално до 1000 kN·m, што одговара точно на потребите за моќност на тешката опрема.
Го правиме со челик со висока цврстина 35CrMo и додаваме четири иглени лежишта за да се издржи при тешки товари. Затоа е солиден избор за универзални спојки за индустриски машини и одлично функционира како тешка опрема заварени универзални спојки на места каде што товарот останува висок без престан. Неговиот дизајн со кратко свиткување е совршен и за машини со малку простор за аксијално движење - дава цврста поправка на преносот за тешки индустриски простори.
Raydafon е производител со седиште во Кина со ISO 9001 сертификат, затоа се држиме до строгите правила за квалитет за секоја универзална спојка SWC-DH. Вкрстеното вратило добива хромирана плоча за борба против корозија, така што трае дури и кога условите се сурови. Заварениот јарем исто така ја олеснува инсталацијата - само наредете ги шахтите десно и работи најдобро. Ќе го најдете на опрема во металургијата, рударството и кранските системи, нема проблем.
Плус, оваа спојка доаѓа во различни големини и рејтинзи на вртежен момент. Ако ви треба прилагодена универзална спојка за индустриски машини - на пример, за жетвари или друга специфична опрема - можеме да ја прилагодиме на вашите потреби, а цената останува конкурентна. Имаме производствено знаење за да ја направиме оваа кратка флексибилна спојка да го намали времето на прекин на опремата, така што вашите машини севкупно работат посигурно.
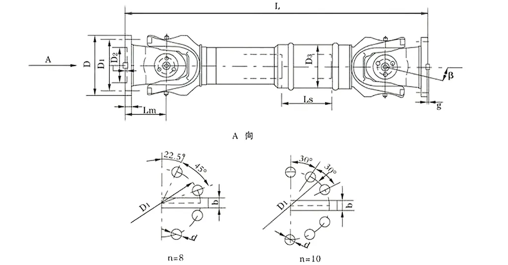
| бр. | Дијаметар на вртење Д мм | Номинален вртежен момент Тн KN·m | Агол на преклопување на оските β (°) | Уморен вртежен момент Tf KN·m | Флекс количина Ls мм | Големина (мм) | Ротирачка инерција kg.m2 | Тежина (кг) | |||||||||||
| Lmin | Д1 (js11) | Д2 (H7) | Д3 | Lm | n-d | k | t | b (h9) | g | Lmin | Зголемување 100 мм | Lmin | Зголемување 100 мм | ||||||
| SWC180DH1 | 180 | 20 | 10 | ≤25 | 75 | 650 | 155 | 105 | 114 | 110 | 8-17 | 17 | 5 | - | - | 0.165 | 0.0070 | 58 | 2.8 |
| SWC180DH2 | 55 | 600 | 0.162 | 56 | |||||||||||||||
| SWC180DH3 | 40 | 550 | 0.160 | 52 | |||||||||||||||
| SWC225DH1 | 225 | 40 | 20 | ≤15 | 85 | 710 | 196 | 135 | 152 | 120 | 20 | 5 | 32 | 9.0 | 0.415 | 0.0234 | 95 | 4.9 | |
| SWC225DH2 | 70 | 640 | 0.397 | 92 | |||||||||||||||
| SWC250DH1 | 250 | 63 | 31.5 | ≤15 | 100 | 795 | 218 | 150 | 168 | 140 | 8-19 | 25 | 6 | 40 | 12.5 | 0.900 | 0.0277 | 148 | 5.3 |
| SWC250DH2 | 70 | 735 | 0.885 | 136 | |||||||||||||||
| SWC285DH1 | 285 | 90 | 45 | ≤15 | 120 | 950 | 245 | 170 | 194 | 160 | 8-21 | 27 | 7 | 40 | 15.0 | 1.876 | 0.0510 | 229 | 6.3 |
| SWC285DH2 | 80 | 880 | 1.801 | 221 | |||||||||||||||
| SWC315DH1 | 315 | 125 | 63 | ≤15 | 130 | 1070 | 280 | 185 | 219 | 180 | 10-23 | 32 | 8 | 40 | 15.0 | 3.331 | 0.0795 | 346 | 8.0 |
| SWC315DH2 | 90 | 980 | 3.163 | 334 | |||||||||||||||
| SWC350DH1 | 350 | 180 | 90 | ≤15 | 140 | 1170 | 310 | 210 | 267 | 194 | 10-23 | 35 | 8 | 50 | 16.0 | 6.215 | 0..2219 | 508 | 15.0 |
| SWC350DH2 | 90 | 1070 | 5.824 | 485 | |||||||||||||||
| SWC390DH1 | 390 | 250 | 125 | ≤15 | 150 | 1300 | 345 | 235 | 267 | 215 | 10-25 | 40 | 8 | 70 | 18.0 | 11.125 | 0.2219 | 655 | |
| SWC390DH2 | 90 | 1200 | 10.763 | 600 | |||||||||||||||
* 1. Tf-под алтернативно оптоварување на вртежниот момент што дозволува според јачината на замор. * 2. Lmin-најмалата должина по сечењето. * 3. Должина на L-инсталирање, што е според барањето
Универзалната спојка за спојување SWC, често наречена универзална спојка за спојување на кардан на SWC, е клучна компонента во тешките индустриски сценарија. Неопходен е за валавници, машини за подигнување и разни системи за тешки машини од големи размери. Како универзална спојка со висок вртежен момент, може ефикасно да поврзе две вратила за пренос со оски кои не се совпаѓаат, обезбедувајќи непрекинат пренос на енергија дури и при сложени и тешки работни услови.
Основните технички параметри на оваа спојка се како што следува:
Дијаметар на вртење: φ58 - φ620
Номинален вртежен момент: 0,15 - 1000 kN·m
Агол на преклопување на оската: ≤25°
Во практична примена, тој работи исклучително добро. На пример, за време на работата на валавницата, кога е потребна сигурна универзална спојка за валање наменета за валавници, или во опрема за подигање и ракување со материјали, кога е потребна издржлива спојка со универзална спојка на SWC, овој производ е целосно компетентен. Дури и при тешки товари, може стабилно да ја одржува оперативната стабилност на опремата.
Универзалната спојка за спојување SWC е дизајнирана користејќи напредни инженерски принципи, обезбедувајќи исклучителни перформанси и подолг работен век во индустриски средини. Неговите главни структурни карактеристики се како што следува:
Разумна и безбедна структура: Со интегриран дизајн на главата на вилушката, оваа индустриска универзална спојка за спојување го намалува ризикот од олабавување или кршење на завртките, зголемувајќи ја структурната цврстина за 30%-50%. Овој дизајн обезбедува безбедно и доверливо работење, го продолжува работниот век во споредба со традиционалните модели и спречува вообичаени неуспеси во сценарија под висок притисок, како што се универзалните системи за спојување на спојките за тешки машини.
Зголемен носивост: Тешката универзална спојка на SWC е специјално дизајнирана да поднесува тешки товари, што го прави суштински во сценаријата кои бараат одлично управување со товарот, како што се машините за рударство или градежништво.
Висока ефикасност на преносот: со ефикасност до 98,6%, оваа ефикасна универзална спојка за пренос со голема моќност значително ја намалува потрошувачката на енергија и поврзаните трошоци, што го прави првиот избор за универзални решенија за спојување со заштеда на енергија во индустриски системи за пренос со голема моќност.
Стабилна работа со низок шум: оваа универзална спојка со низок шум работи стабилно со нивоа на бучава обично помеѓу 30-40 dB(A), обезбедувајќи тивки перформанси. Идеален е за средини чувствителни на бучава додека одржува висока доверливост.
Универзалните спојки за спојување, особено универзалната спојка со карданско вратило SWC, станаа незаменливи преносни компоненти во индустриските апликации поради нивните извонредни предности. Тие можат да ги задоволат основните потреби со нивните перформанси во области како што се тешки машини, прецизно производство и пренос на енергија. Подолу е детална анализа на нивните клучни предности:
1. Пренос со силен вртежен момент и одлична компензација за неусогласеност
Како универзална спојка со висок вртежен момент, може стабилно да пренесува товари со голема моќност. Дури и во сценарија каде што често се случува неусогласеност на вратилото за време на работата на валавницата - како што е аксијално поместување предизвикано од абење на валјакот и температурни промени при тркалање на челик - оваа сигурна тешка универзална спојка за спојување за валани работи може лесно да се справи со неа. Може истовремено да ги компензира аголните, аксијалните и радијалните неусогласувања, со максимална аголна неусогласеност до 25 степени. Оваа одлична приспособливост на неусогласеност спречува заглавувања во преносот предизвикани од неусогласеност на вратилото, обезбедува континуирана и стабилна испорака на енергија, значително ја намалува веројатноста за механички дефекти при екстремни работни услови и гарантира континуирано работење на производните линии.
2. Висока издржливост и подолг работен век
Дизајнот и изборот на материјали на универзалните спојки на SWC се фокусирани на „отпорност на тешки товари и издржување сурови средини“. Главното тело е изработено од легиран челик со висока цврстина, во комбинација со интегрирана структура на главата на вилушката, што фундаментално ги намалува вообичаените точки на дефект, како што се олабавување на завртките и кршење на компонентите. Земајќи ја како пример издржливата SWC универзална спојка на вратило за спојување што се користи во опремата за подигање и ракување со материјали, може да го издржи моменталното оптоварување при удар при кревање тешки предмети и да одржува стабилни перформанси во сурови средини како што се прашина и високи температури. Во споредба со традиционалните спојки со поделена структура, оваа индустриска универзална спојка има вкупна јачина зголемена за 30%-50%, што не само што ја намалува зачестеноста на секојдневното одржување туку и го продолжува работниот век за 2-3 години. Тој е особено погоден за долготрајните работни потреби со големо оптоварување на универзалните системи за спојување на спојките со тешки машини.
3. Висока преносна ефикасност и значителен ефект на заштеда на енергија
Тестовите покажаа дека ефикасноста на преносот на тешките универзални спојки на SWC е дури 98,6%, што има очигледни предности во сценаријата за индустриски пренос со висока моќност - како што се вентилаторите на високите печки во челичните постројки и системите за пренос на јаглен во електраните. За опрема која бара континуиран пренос со висока моќност, усогласувањето со оваа ефикасна универзална спојка за спојување за голем пренос на енергија може да го минимизира губењето на моќноста. За претпријатијата кои бараат универзални решенија за спојување спојки за заштеда на енергија, оваа висока ефикасност може директно да се претвори во предности во трошоците: земајќи го како пример индустриски мотор од 1500 kW, тој може да заштеди повеќе од 12.000 јуани во трошоците за електрична енергија годишно и може да им помогне на претпријатијата да ги намалат значителните оперативни трошоци при долготрајна употреба, притоа почитувајќи го трендот на потрошувачката и на полето на енергетската штедење.
4. Стабилна и тивка работа, погодна за повеќе сценарија
Со оптимизирање на точноста на поставувањето на лежиштето и користење на маст за подмачкување со низок коефициент на триење, работниот шум на оваа универзална спојка со низок шум е строго контролиран на 30-40 dB(A), што е еквивалентно на нивото на амбиентална бучава на дневна канцеларија и целосно се усогласува со стандардите за емисија на бучава на индустриските локации. Во сценарија чувствителни на бучава - како што се производствени линии во погоните за преработка на храна и опрема за пренос на прецизни електронски компоненти - не само што може да ја обезбеди стабилноста и доверливоста на системот за пренос туку и да избегне влијание врз околината на работилницата или работното искуство на вработените поради бучава. Во исто време, стабилните карактеристики на преносот исто така може да го намалат абењето на околните компоненти предизвикано од вибрациите на опремата, дополнително подобрувајќи ја оперативната стабилност и работниот век на целиот производствен систем.
Универзалната спојка за заварување со краток свиткувачки тип SWC-DH, честопати наречена универзална спојка со карданско вратило SWC, главно се користи во сценарија за тешки машини, како што се валавници и дигалки. Овој тип на опрема има исклучително високи барања за структурна компактност и флексибилност - само со исполнување на овие две точки може да се постигне ефикасно работење, а оваа спојка совршено ги задоволува таквите потреби. Како универзална спојка за спојување со висок вртежен момент, може ефикасно да поврзе две вратила за пренос со оски кои не се совпаѓаат, обезбедувајќи беспрекорен пренос на енергија дури и во сурови индустриски средини кои бараат прецизна компензација за неусогласеност на системот на вратило.
Во практична примена, без разлика дали е потребна сигурна тешка универзална спојка за валање за време на работата на валавницата или е потребна издржлива универзална спојка на SWC во опремата за подигање и ракување со материјали, овој производ може да работи одлично - може да одржува стабилна работа на опремата дури и при екстремни оптоварувања. Неговата предност при приспособливост е особено истакната во распоредот на компактна опрема каде што просторот е ограничен и потребен е краток дизајн на флексибилна структура.
Оваа индустриска универзална спојка за спојка SWC-DH е изградена со напредна инженерска технологија и оптимизирана за перформанси и работниот век специјално за индустриски сценарија. Неговата основна структурна карактеристика лежи во неговиот разумен и безбеден дизајн: интегрираната структура на главата на вилушката фундаментално ги елиминира скриените опасности од олабавување или кршење на завртките, зголемувајќи ја вкупната цврстина за 30%-50%. Овој дизајн не само што ја осигурува безбедноста и доверливоста на работењето, туку и го продолжува работниот век во споредба со традиционалните модели, притоа избегнувајќи вообичаени проблеми со неуспех во сценаријата на примена со висок стрес, како што се универзалните системи за спојување на спојките за тешки машини.
Покрај тоа, неговата носивост е зголемена преку дизајнот за да издржи поголема тежина, така што оваа тешка универзална спојка на SWC е многу погодна за сценарија со строги барања за носивоста, како што се машини за рударство и градежна опрема. Во однос на ефикасноста на преносот таа достигнува и до 98,6%. Како ефикасна универзална спојка за спојување со голема моќност, може значително да ја намали потрошувачката на енергија и трошоците за електрична енергија, што го прави префериран производ за универзални решенија за спојување со заштеда на енергија во областа на индустриски пренос со висока моќност.
Конечно, оваа спојка има стабилен пренос, при што оперативниот шум обично се контролира на 30-40 dB(A), што го прави универзален спој за спојување со низок шум. Оваа карактеристика му овозможува да работи тивко дури и во индустриски сценарија чувствителни на бучава, притоа одржувајќи висока доверливост во секое време.
⭐⭐⭐⭐⭐ Ванг Леи, проектен инженер, Guangdong Heavy Machinery Co., Ltd.
Веќе некое време ја користиме универзалната спојка за заварување од типот на кратки свирки на Raydafon SWC-DH во нашата тешка машинерија, и тоа е пријатно изненадување - особено кога станува збор за поставување на тесни места. Нашата опрема има прилично ограничен простор за делови за менувач, но компактен дизајн на оваа спојка се вклопува како ракавица, нема потреба да се преуредуваат другите компоненти само за да функционира.
Она што е уште подобро е тоа што не ги жртвува перформансите поради големината. Сè уште испорачува силен, стабилен пренос на вртежен момент - од клучно значење за нашите тешки операции. Го работиме непрекинато со недели и немаше нула абнормални вибрации; целиот систем останува мазен. Квалитетот на заварувањето е исто така уште еден белег - можете да забележите дека е цврст само ако го погледнете, што ни дава целосна доверба дека ќе се одржи до долготрајна тешка употреба. За спојка што го балансира дизајнот и доверливоста што заштедува простор, ова е победник.
⭐⭐⭐⭐⭐ Жао Минг, менаџер за набавки, Tianjin Steel Equipment Co., Ltd.
Неодамна нарачавме неколку спојки SWC-DH од Raydafon, и морам да кажам, целиот процес на набавка беше необичен - без главоболки, без доцнења. Од моментот кога ја испративме нарачката, нивниот тим реагираше, а испораката се појави токму на закажаниот датум, што е голем плус за одржување на нашето производство на вистинскиот пат. Пакувањето беше исто така врвно: секоја спојка беше безбедно завиткана, без вдлабнатини или оштетувања за време на испораката - само подготвена за отпакување и инсталирање.
Нашиот технички тим се справи со поставувањето, и тие веднаш спомнаа колку е лесно да се монтира. Без комплицирани чекори, нема потреба од лов на специјални алати - тие брзо го поставија и оттогаш работи сигурно. Кога ќе ја земете предвид разумната цена поврзана со оваа конзистентна изведба, јасно е дека оваа спојка нуди голема вредност. Веќе планираме да го задржиме на нашата редовна листа за набавки; тоа е вид на производ што ми ја олеснува работата како купувач.
⭐⭐⭐⭐⭐ Лиу Хонг, директор за одржување, индустриска групација Шандонг
Како некој што го надгледува одржувањето на опремата, мојот најголем приоритет е намалување на времето на застој и намалување на времето што мојот тим го троши на сервисирање на делови. Спојката SWC-DH на Raydafon ги проверува и двете кутии совршено. Го користиме во опрема што секојдневно работи под големи оптоварувања и никогаш не се лизга или префрла - останува цврсто на своето место, без лабави врски. Дури и по неколкумесечна употреба, едвај има знаци на абење, што е огромен контраст со другите спојки што ги користевме претходно.
Со оние постари спојки, секогаш закажувавме брзи поправки или замена на делови, што го одзеде времето за производство и ги зголемуваше трошоците. Овој? Едвај го допираме - нема често сервисирање, нема неочекувани дефекти. Ни заштеди многу време и пари за одржување, и само сигурно си ја врши својата работа. Деновиве, таа стана основна компонента во нашите секојдневни операции; Не морам да се грижам дали ќе пропадне, што ми дозволува да се фокусирам на други приоритети. Тоа е точно сигурен дел што му треба на секој тим за одржување.
Адреса
Индустриска област Луотуо, округ Женхаи, градот Нингбо, Кина
тел
Е-пошта


+86-574-87168065


Индустриска област Луотуо, округ Женхаи, градот Нингбо, Кина
Авторски права © Raydafon Technology Group Co., Limited Сите права се задржани.
Links | Sitemap | RSS | XML | Политика за приватност |
