QR код
Производи
Контактирајте не


Факс
+86-574-87168065

Е-пошта

Адреса
Индустриска област Луотуо, округ Женхаи, градот Нингбо, Кина
Универзалната спојка на Raydafon SWC-WD, без свиткана прирабница, е изградена за ефикасно да го движи вртежниот момент во тешките машини - помислете на челични валани, кранови, опрема за подигање, сета таа тешка опрема. Има компактен, нетелескопски дизајн на прирабница, со дијаметри на вртење кои се движат од 180 mm до 1320 mm. Оваа универзална спојка со кратка прирабница може да се справи со аголни неусогласувања до 15 степени и вртежен момент до 16000 kN·m, така што дури и во тесни простори каде што нема многу простор, сигурно го одржува преносот на енергијата. Ние го правиме од челик со висока цврстина 35CrMo, со структура на лежиште за која не се потребни завртки - совршен за универзални спојки за тешки машини и нетелескопски универзални спојки за индустриски апликации. Не бара многу одржување и трае вечно, што е токму она што ви треба во тешките поставки.
Нашето производство во Кина ги следи стандардите ISO 9001, така што универзалната спојка SWC-WD издржува во тешки услови. Вкрстеното вратило е хромирано за да се спротивстави на корозија, додавајќи ја неговата цврстина. Неговиот цврст, заварен дизајн на прирабница го прави лесно вградувањето, особено во опремата за металургија и рударство каде што аксијално движење е прилично минимално. Можеме да ја прилагодиме големината за да одговара на вашите потреби, така што оваа издржлива кратка универзална спојка функционира одлично како прилагодени универзални спојки за кранови системи и други тешки работи. И цената е конкурентна. Прецизното изработка на Raydafon значи помалку прекини и посигурна опрема - нешто на што можат да сметаат индустриските оператори ширум светот.
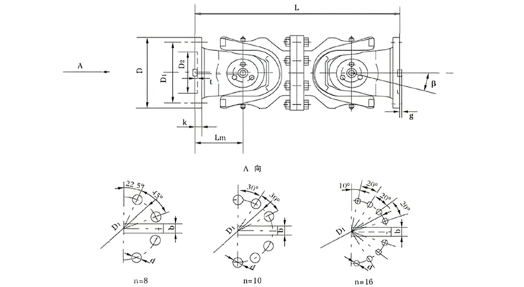
| бр. | Дијаметар на вртење Д мм | Номинален вртежен момент Тн KN·m | Агол на преклопување на оските β (°) | Уморен вртежен момент Тф KN·m | Големина (мм) | Тежина (кг) | |||||||||
| Lmin | Д1 (js11) | Д2 (H7) | Lm | n-d | k | t | b (h9) | g | Lmin | Зголемување 100 мм | |||||
| SWC180WD | 180 | 12.5 | 6.3 | ≤25 | 440 | 155 | 105 | 110 | 8-17 | 17 | 5 | - | - | 0.145 | 52 |
| SWC225WD | 225 | 40 | 20 | ≤15 | 480 | 196 | 135 | 120 | 8-17 | 20 | 5 | 32 | 9.0 | 0.355 | 82 |
| SWC250WD | 250 | 63 | 31.5 | 560 | 218 | 150 | 140 | 8-19 | 25 | 6 | 40 | 12.5 | 0.831 | 127 | |
| Swc285wd | 285 | 90 | 45 | 640 | 245 | 170 | 160 | 8-21 | 27 | 7 | 40 | 15.0 | 1.715 | 189 | |
| SWC315WD | 315 | 125 | 63 | 720 | 280 | 185 | 180 | 10-23 | 32 | 8 | 40 | 15.0 | 2.820 | 270 | |
| SWC350WD | 350 | 180 | 90 | 776 | 310 | 210 | 194 | 10-23 | 35 | 8 | 50 | 16.0 | 4.791 | 370 | |
| SWC390WD | 390 | 250 | 125 | 860 | 345 | 235 | 215 | 10-25 | 40 | 8 | 70 | 18.0 | 8.229 | 524 | |
| Swc440wd | 440 | 355 | 180 | 1040 | 390 | 255 | 260 | 16-28 | 42 | 10 | 80 | 20.0 | 15.320 | 798 | |
| SWC490WD | 490 | 500 | 250 | 1080 | 435 | 275 | 270 | 16-31 | 47 | 12 | 90 | 22.5 | 25.740 | 1055 | |
| SWC550WD | 550 | 710 | 355 | 1220 | 492 | 320 | 305 | 16-31 | 50 | 12 | 100 | 22.5 | 46.780 | 1524 | |
| SWC620WD | 620 | 1000 | 500 | 1360 | 555 | 380 | 340 | 10-38 | 55 | 12 | 100 | 25.0 | 83.760 | 2120 | |
* 1. Tf-под алтернативно оптоварување на вртежниот момент што дозволува според јачината на замор.
Универзалната спојка за спојување на SWC на Raydafon - вообичаено наречена универзална спојка за карданско вратило SWC - не е само дел; тоа е задолжително во тешките индустриски полиња, како што се валавници, опрема за дигање и секакви тешки поставки за тешки машини. Како универзална спојка за спојување со висок вртежен момент, тој прави солидна работа поврзувајќи две вратила за пренос кои не се совршено порамнети, осигурувајќи се дека струјата се испорачува непречено дури и кога работните услови се навистина сурови.
Ајде да зборуваме за неговите основни спецификации: дијаметарот на вртење се движи од φ58 до φ620, номиналниот вртежен момент оди од 0,15 до 1000 kN·m, а аголот на преклопување на оската не е поголем од 25°.
Оваа спојка најдобро функционира на специфични места - како кога ви е потребна сигурна универзална спојка со тешки фуги за работа на валавницата или издржлива SWC универзална спојка на вратило за спојување во опрема за подигање и ракување со материјали. Во овие случаи, тој ја покажува својата сила: дури и при големи стресови, ги одржува операциите стабилни, без неред или дефекти.
Универзалната спојка за спојување SWC на Raydafon не е само споена - таа е изградена со паметен, ажуриран инженеринг за да работи одлично и да се одржи долго во индустриска употреба. Ајде да прошетаме низ она што ја истакнува нејзината структура.
Прво, има разумна и безбедна конфигурација: користевме интегриран дизајн на главата на вилушката за оваа индустриска универзална спојка за спојување, што ги намалува ризиците како што се откачување или кршење на завртките. Самото тоа дотерување го прави 30%-50% поцврсто во целина, така што работи безбедно и доследно. Во споредба со обичните спојки, тој трае многу подолго и ги избегнува вообичаените проблеми во местата со висок напон - како што се универзалните системи за спојување со тешки машини што ги гледате при тешки работи.
Потоа, тука е неговата подобрена носивост: оваа тешка универзална спојка на SWC е направена за да се справи со големи тежини, па затоа е задолжителна на места каде што треба врвно ракување со товарот, како опрема за рударство или градежни машини.
Исто така, постигнува висока ефикасност на преносот - до 98,6%. Како ефикасна универзална спојка за голем пренос на енергија, ја намалува потрошувачката на енергија и трошоците што доаѓаат со неа. Затоа, тој е врвен избор за универзални решенија за спојување на спојки за заштеда на енергија во поставките за индустриски пренос со висока моќност.
И работи непречено со мал шум: преносот останува стабилен, а бучавата обично лебди помеѓу 30-40 dB(A). Оваа универзална спојка за спојување со низок шум ги одржува операциите тивки, што е совршено за индустриски места каде бучавата е проблем - сето тоа додека ја одржува доверливоста на високо ниво.
⭐⭐⭐⭐⭐ Џанг Веи, главен инженер, Henan Mining Equipment Co., Ltd.
Ја ставивме универзалната спојка SWC-WD на Raydafon без свиткана прирабница на нашата рударска машина и совршено се вклопува. Неговиот компактен дизајн е токму она што ни треба за тесни простори каде што нема многу простор за штедење, а градбата е доволно цврста за да ги одржува операциите стабилни. Дури и кога работи непрекинато под тешки услови, оваа спојка никогаш не нè изневерува - воопшто нема дефекти. Нашиот тим за одржување сака што едвај има потреба од проверка, што значи дека можеме да продолжиме да се движи производството непречено без дополнителна мака.
⭐⭐⭐⭐⭐ Мајкл Браун, оперативен менаџер, Texas Steel Works, САД
Нашата работилница во Тексас ја нарача универзалната спојка SWC-WD Short Without Flex Flange Type од Raydafon, и искрено, квалитетот нè воодушеви. Спојките се обработуваат навистина добро, нивното инсталирање е тешко, и тие сигурно се држат дури и кога се под оптоварување. Што најмногу ми се чинеше? Колку добро ги балансира цената и перформансите - често не ја наоѓате таа слатка точка. Не е лесно да се најде добавувач кој постојано го обезбедува ова ниво на квалитет, но Raydafon апсолутно докажа дека е доверлив партнер за нас.
⭐⭐⭐⭐⭐ Ана Милер, супервизор за одржување, Берлин индустриски решенија, Германија
Го ставивме Raydafon's SWC-WD Short Without Flex Flange Type Universal Coupling на нашата линија опрема во Берлин и резултатите беа одлични. Самиот производ се чувствува цврсто како карпа, заварувањето е прецизно - нема лоша работа овде - и досега се одржува навистина добро, покажувајќи врвна издржливост. Во споредба со некои други брендови што ги користевме овде во Европа, оваа спојка е многу посигурна, а и цената е многу поконкурентна. Ако други компании бараат сигурни универзални спојки, јас апсолутно би го препорачал Raydafon.
Универзалната спојка на Raydafon SWC-WD без свиткана прирабница - честопати наречена универзална спојка за карданско вратило SWC - е изградена за тесни индустриски места, каде што просторот е ограничен и ви треба дизајн со фиксна должина (без телескопско продолжување). Како универзална спојка за спојување со висок вртежен момент, ефикасно го придвижува вртежниот момент помеѓу шахтите што не се порамнети, справувајќи се со аголни отстапувања до 25 степени и останува сигурен дури и во тешки средини.
Ајде да зборуваме за неговите клучни карактеристики: има компактна и цврста структура - ова кратко, нефлексибилно поставување на прирабница го прави сигурна универзална спојка за фугирање за работа со валани, давајќи дополнителна стабилност во поставките каде што аксијално движење е минимално. Затоа работи толку добро за врски на фиксни растојанија во тешки машини. Потоа, тука е неговата висока носивост: ние користиме цврсти материјали како леано железо или легиран челик за да го направиме, така што тоа е издржлива SWC универзална спојка на оската за спојување во опремата за подигање и ракување со материјали. Издржува големи тежини и пренесува повеќе вртежен момент од другите спојки со ист дијаметар, што го прави совршен за тешки товари во рударска или градежна опрема.
Оваа индустриска универзална спојка за спојување, исто така, навистина добро го компензира неусогласеноста - без разлика дали е аголна, паралелна или аксијална неусогласеност, не се меша со брзината на вртење или пренос на вртежен момент. Тоа значи непречено функционирање во универзални системи за спојување на зглобови на тешки машини. И ефикасен е при пренос на енергија: достигнувајќи до 98,6% ефикасност, оваа тешка универзална спојка на SWC ја одржува загубата на енергија на ниско ниво, што го прави ефикасен универзален спој за спојување за голем пренос на енергија во индустриски поставки со висока моќност.
Плус, тој е дизајниран да заштеди енергија и да работи тивко - ако ви требаат универзални решенија за спојување со спојки за заштеда на енергија, ова е врвен избор, со намалување на оперативните трошоци. И одржува бучава помеѓу 30-40 dB(A), така што оваа универзална спојка со низок шум се вклопува токму во индустриските места каде бучавата е загрижувачка.
Оваа спојка навистина блеска во специфични сценарија - како кога ви е потребна сигурна универзална спојка со тешки товари за работа на валавницата или издржлива SWC универзална спојка на вратило за спојување во опрема за подигање и ракување со материјали. Во овие случаи, дури и со екстремни оптоварувања и ограничен простор, ги одржува операциите стабилни, без икање.
Кога станува збор за индустриски универзални апликации за спојување на спојките, нашата варијанта SWC-WD се издвојува со паметното инженерство што го прави да работи подобро и да трае подолго. Ајде да зборуваме за неговата клучна структура: има разумно, безбедно поставување со интегриран дизајн на главата на вилушката - со тоа се ослободуваат проблемите како што се откачување или кршење на завртките, зголемувајќи ја вкупната цврстина за 30%-50%. Тоа значи дека работи безбедно и сигурно, трае подолго од моделите во стар стил и избегнува вообичаени дефекти на места со висок стрес, како што се универзални системи за спојување на спојници од тешки машини.
Плус, може да се справи со многу повеќе оптоварување - ние го изградивме за да поддржува поголеми тежини, така што оваа тешка универзална спојка на SWC е совршена за места на кои им треба тешко ракување со товарот, како опрема за рударство или градба. Исто така, супер ефикасно ја придвижува моќта, достигнувајќи до 98,6% ефикасност на преносот. Како ефикасна универзална спојка за спојување со голема моќност, ја намалува употребата на енергија и трошоците што доаѓаат со неа, што го прави врвен избор за универзални решенија за спојување со заштеда на енергија во поставките за индустриски пренос со висока моќност.
И работи непречено со речиси никаков шум - преносот останува стабилен, а бучавата обично останува помеѓу 30-40 dB(A). Оваа универзална спојка за спојување со низок шум ги одржува операциите тивки, што е совршено за индустриски места каде бучавата е проблем, а сето тоа ја одржува доверливоста на високо ниво.
Raydafon не е само друго име во деловите за пренос - ние сме водечки производител и снабдувач на компоненти за пренос со високи перформанси и решенија за индустриски машини, и имаме остар фокус на производи како универзалната спојка за спојување на карданско вратило SWC. Почнавме да бидеме во чекор со она што им е потребно на глобалните индустрии додека се развиваат, и со текот на времето, изградивме целосна постава: менувачи, погонски вратила, хидраулични цилиндри, макари, прецизни машински алати - сето тоа создадено за да се подобри колку добро функционираат земјоделските и тешките сектори. Ние сме големи во иновациите, поради што можеме да испорачаме сигурна универзална спојка со тешки фуги за операции на валавници што се вклопуваат дури и во најсложените системи без пречки.
Нашите капацитети се исто така врвни - имаме работилници за ЦПУ, опрема за мелење и термичка обработка и напредни системи за мерење 3D. Ние се придржуваме до строгите стандарди за квалитет како ISO9001/TS16949, а тоа поставување ни овозможува да направиме универзални решенија за спојување со висок вртежен момент кои одлично го движат вртежниот момент и се справуваат со неусогласеноста како професионалец. На пример, земете ја нашата издржлива SWC универзална спојка за спојување на вратило во опремата за подигање и ракување со материјали - таа е изградена за места на кои им е потребна тешка носивост. И нашата индустриска универзална линија за спојување? Ги опфаќа сите видови на употреба каде што прецизноста и цврстината се најважни.
Осумдесет проценти од она што го правиме се извезува - се испраќа во места како САД, Германија, Јапонија, Италија, Малезија, Австралија и Блискиот Исток. Имаме силни мрежи во Кина, Јужна Кореја, Обединетото Кралство, Сингапур, САД и Шпанија, така што сме солидни на глобално ниво. Тој досег ни овозможува да понудиме приспособени SWC опции за универзална спојка за спојување со тешки товари - приспособени точно на она што им треба на клиентите, како кај тешките машини универзални системи за спојување на спојките каде што останувањето стабилно при екстремни оптоварувања не може да се преговара.
Се грижиме за одржливоста и за изработка на решенија кои ги ставаат клиентите на прво место. Затоа развиваме универзални решенија за спојување на спојници за заштеда на енергија кои достигнуваат до 98,6% ефикасност на преносот - намалувајќи ја потрошувачката на енергија во поставките со висока моќност. Без разлика дали ви треба ефикасна универзална спојка за поврзување со голем пренос на енергија или универзална спојка со низок шум за индустриски места каде бучавата е проблем, нашите производи доаѓаат со целосна услуга после продажбата. На тој начин станавме доверлив партнер во индустријата за пренос - ние не продаваме само делови, туку ги поддржуваме.
Адреса
Индустриска област Луотуо, округ Женхаи, градот Нингбо, Кина
тел
Е-пошта


+86-574-87168065


Индустриска област Луотуо, округ Женхаи, градот Нингбо, Кина
Авторски права © Raydafon Technology Group Co., Limited Сите права се задржани.
Links | Sitemap | RSS | XML | Политика за приватност |
