QR код
Производи
Контактирајте не


Факс
+86-574-87168065

Е-пошта

Адреса
Индустриска област Луотуо, округ Женхаи, градот Нингбо, Кина
SWC-WF на Raydafon без универзална спојка од типот на свиткана прирабница е направена само за пренос со висок вртежен момент во тешки машини - помислете на металуршката опрема, крановите, рударските системи, сите тешки поставки на кои им е потребна стабилна моќност. Има нефлексибилен дизајн на прирабница, дијаметри на вртење кои се движат од 160 mm до 640 mm, а оваа универзална спојка од типот на прирабница се справува со големи аголни неусогласености плус континуирани ротациони брзини без проблем, дури и кога работите во супер тешки услови. Ние користиме челик 35CrMo со висока цврстина за да го изградиме, така што совршено се спротивставува на интензивните оптоварувања - токму затоа е врвен избор за универзални спојки за тешки машини и нефлексни универзални спојки за индустриски апликации. Прецизното производство на Raydafon обезбедува солидни перформанси секој пат, особено за индустрии кои не можат да направат компромиси со доследно испорака на вртежен момент.
Оваа универзална спојка SWC-WF е изградена да трае, со цврста прирабничка врска што ја олеснува инсталацијата во системи како што се погони за бродоградба и валани - места каде што аксијално движење не е многу. Ние строго ги следиме стандардите ISO 9001, а нашата фабрика со седиште во Кина користи напредна обработка плус строги проверки на квалитетот за да ја направи оваа издржлива прирабница универзална спојка. Доаѓа во приспособливи големини, со ознаки на вртежен момент до 1250 kN·m, така што се вклопува директно во сопствените универзални спојки за металуршка опрема и други тешки поставки. Raydafon нуди и приспособени решенија по конкурентни цени, помагајќи да се намали времето на застој и да се зголеми доверливоста на вашата опрема.
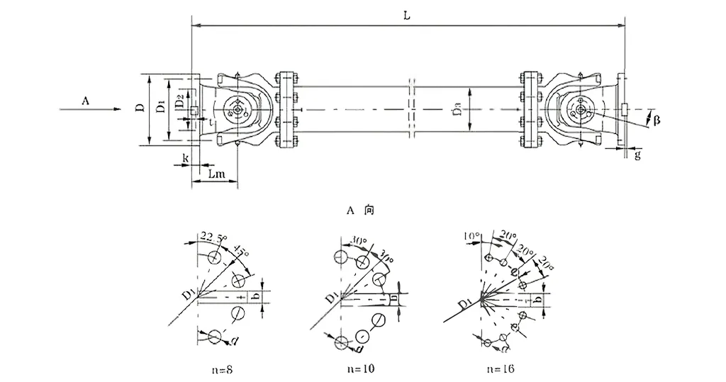
| бр. | Дијаметар на вртење Д мм | Номинален вртежен момент Тн KN·m | Агол на преклопување на оските β (°) | Уморен вртежен момент Тф KN·m | Големина (мм) | Ротирачка инерција kg.m2 | Тежина (кг) | |||||||||||
| Lmin | Д1 (js11) | Д2 (H7) | Д3 | Lm | n-d | k | t | b (h9) | g | Lmin | Зголемување 100 мм | Lmin | Зголемување 100 мм | |||||
| SWC285WF | 285 | 90 | 45 | ≤15 | 810 | 245 | 170 | 194 | 160 | 8-21 | 27 | 7 | 40 | 15 | 2.664 | 0.051 | 220 | 6.3 |
| SWC315WF | 315 | 125 | 63 | 915 | 280 | 185 | 219 | 180 | 10-23 | 32 | 8 | 40 | 15 | 4.469 | 0.0795 | 300 | 8.0 | |
| SWC350WF | 350 | 180 | 90 | 980 | 310 | 210 | 267 | 194 | 10-23 | 35 | 8 | 50 | 16 | 7.388 | 0.2219 | 412 | 15.0 | |
| SWC390WF | 390 | 250 | 125 | 1100 | 345 | 235 | 267 | 215 | 10-25 | 40 | 8 | 70 | 18 | 13.184 | 0.2219 | 588 | 15.0 | |
| SWC440WF | 440 | 355 | 180 | 1290 | 390 | 255 | 325 | 260 | 16-28 | 42 | 10 | 80 | 20 | 23.250 | 0.4744 | 880 | 21.7 | |
| SWC490WF | 490 | 500 | 250 | 1360 | 435 | 275 | 325 | 270 | 16-31 | 47 | 12 | 90 | 22.5 | 40.750 | 0.4744 | 1173 | 21.7 | |
| SWC550WF | 550 | 710 | 355 | 1510 | 492 | 320 | 426 | 305 | 16-31 | 50 | 12 | 100 | 22.5 | 68.480 | 1.3570 | 1663 | 34.0 | |
| SWC620WF | 620 | 1000 | 500 | 1690 | 555 | 380 | 426 | 340 | 10-38 | 55 | 12 | 100 | 25 | 127.530 | 1.3570 | 2332 | 34.0 | |
* 1. Tf-под алтернативно оптоварување на вртежниот момент што дозволува според јачината на замор.
* 2. Должина на L-инсталирање, што е според барањето.
SWC-WF на Raydafon без универзална спојка од типот на флексибилна прирабница - исто така наречена универзална спојка со карданско вратило SWC - работи на основна механичка идеја: добива вртежен момент од две неколинеарни вратила до каде што треба да оди, а исто така се справува со неусогласеност. Оваа универзална спојка за спојување со висок вртежен момент користи подесување на вкрстени лежишта за поврзување на прирабниците на двата краја, па дури и кога шахтите се поместени до 25 степени или имаат аксијални/радијални отстапувања, таа сепак непречено ја движи ротационата моќност.
Срцето на тоа како функционира е универзалниот дизајн на зглобот - има вкрстена осовина која делува како стожер, дозволувајќи и на секоја прирабница да се движи самостојно. На тој начин, вртежниот момент оди од погонската осовина до погонското вратило и ги надополнува аголните неусогласени без да се напрегаат премногу деловите со кои е поврзан. Ако ви е потребна сигурна универзална спојка за спојување со тешки товари за работа на валавницата, оваа цврста, нефлексибилна структура на прирабница ги одржува работите стабилни, што е совршено за поврзување на кратки растојанија во компактните поставки за тешки машини.
Она што ја издвојува неговата функција е тоа што нема флексибилни делови или карактеристики за проширување - ова го издвојува од другите типови и го прави одличен за места каде што аксијално движење е минимално. Издржливата универзална спојка на вратило на SWC што ја користиме во опремата за подигање и ракување со материјали се потпира на овој принцип за да остане рамнотежа дури и при големи оптоварувања; ја достигнува ефикасноста на преносот до 98,6% и не троши многу енергија. Оваа индустриска универзална спојка за спојување, исто така, ги намалува вибрациите благодарение на прецизното движење на лежиштето, така што работи непречено дури и во ситуации со висок стрес - исто како и универзалните системи за спојување со тешки машини што би ги виделе при тешки индустриски работни места.
Плус, тешката универзална спојка за спојка на SWC на Raydafon има заварени прирабници за да биде поцврста - нема повеќе да се грижите за откачување на завртките и ја зголемува вкупната цврстина за 30% до 50%. Како ефикасна универзална спојка за спојување со голем пренос на моќност, таа се справува со номинални вртежи од 0,15 до 1000 kN·m и има дијаметри на вртење од φ58 до φ620 - што го прави врвен избор за универзални решенија за спојување со заштеда на енергија во тешките индустриски преноси. И со задржување на бучава помеѓу 30-40 dB(A), оваа универзална спојка за спојување со низок шум работи тивко, што е идеално за индустриски места каде бучавата е загрижувачка, а сето тоа одржувајќи ги високите стандарди за доверливост.
Универзалната спојка за спојување на SWC на Raydafon - честопати наречена универзална спојка за карданско вратило SWC - не е само редовен дел; тоа е задолжително за тешки индустриски поставки, како што се валани мелници, машини за дигање и сите видови тешки системи за тешки машини. Како универзална спојка за спојување со висок вртежен момент, тој прави солидна работа поврзувајќи две вратила на менувачот кои не се наредени совршено, осигурувајќи се дека струјата продолжува да тече дури и кога работните услови стануваат груби.
Ајде да зборуваме за неговите клучни спецификации: дијаметарот на вртење се движи од φ58 до φ620, номиналниот вртежен момент оди од 0,15 до 1000 kN·m, а аголот на преклопување на оската не е поголем од 25°.
Овој производ навистина блеска во специфични сценарија - како кога ви е потребна сигурна универзална спојка за тешки фуги за работа на валавницата или издржлива SWC универзална спојка на вратило за спојување во опрема за подигање и ракување со материјали. Во овие случаи, тој ја докажува својата вредност со одржување на стабилни операции, дури и кога се справува со тешки товари.
Универзалната спојка за спојка SWC на Raydafon не е создадена само за функција - таа е дизајнирана со паметен дизајн за да се одржи во индустриска употреба и да продолжи да работи добро долгорочно. Ајде да разложиме што ја истакнува нејзината структура.
Прво, има разумна и безбедна конфигурација: користевме интегриран дизајн на главата на вилушката за оваа индустриска универзална спојка за спојување, што ги намалува ризиците како што се откачување или кршење на завртките. Само тоа го зајакнува неговиот структурен интегритет за 30%-50%, така што работи безбедно и сигурно. Во споредба со обичните спојки, тој трае подолго и избегнува вообичаени дефекти на места со висок стрес - како што се универзалните системи за спојување со тешки машини што ги гледате при тешки работи.
Потоа, тука е неговата зголемена носивост: оваа тешка универзална спојка на SWC е направена за да се справи со големи тежини, па затоа е задолжителна на места кои имаат потреба од врвно управување со товарот, како рударски или градежни машини.
Исто така, обезбедува висока ефикасност на преносот - достигнувајќи до 98,6%. Како ефикасна универзална спојка за голем пренос на енергија, ја намалува употребата на енергија и трошоците што доаѓаат со неа. Затоа, тој е врвен избор за универзални решенија за спојување со спојување со заштеда на енергија во поставките за индустриски пренос со висока моќност.
И работи непречено со мал шум: го одржува преносот стабилен, а бучавата обично останува помеѓу 30-40 dB(A). Оваа универзална спојка за спојување со низок шум осигурува дека операциите остануваат тивки, што е совршено за места каде бучавата е проблем - сето тоа додека ја одржува доверливоста на високо ниво.
⭐⭐⭐⭐⭐ Чен Лианг, инженер за производство, Zhejiang Machinery Co., Ltd.
Го ставивме Raydafon's SWC-WF Without Flex Flange Type Universal Coupling на една од нашите производни линии и досега одлично функционира. Структурата е едноставна, но тешка - нејзиното инсталирање беше лесно, без комплицирани чекори. Откако ќе се постави, работи непречено, нема потреба од дополнителни измени. Дури и кога товарот е тежок, оваа спојка останува доверлива, што значи дека можеме да ги одржуваме машините да работат долги часови без премногу да се грижиме - дефинитивно ни дава повеќе мир на умот.
⭐⭐⭐⭐⭐ Sun Mei, супервизор за набавка, Hebei Steel Co., Ltd.
Нашата компанија купи неколку SWC-WF без универзални спојки од типот на свиткана прирабница од Raydafon, и прво, испораката беше точно на време, а и пакувањето беше внимателно - воопшто немаше оштетувања. Она што навистина се издвојува за мене е она што го кажа тимот на работилницата: ми рекоа дека спојките се лесни за инсталирање и кога ги користам, се чувствуваат навистина цврсти. Плус, во споредба со другите добавувачи, цената овде е фер. Сè на сè, ние сме навистина задоволни со ова купување.
⭐⭐⭐⭐⭐ Гуо Јун, менаџер за одржување, група за тешка индустрија Liaoning
Мојата работа е да ги одржувам нашите машини да работат и се обидувам да го намалам времето на застој колку што можам. Откако почнавме да го користиме SWC-WF на Raydafon без универзална спојка од типот на свиткана прирабница, забележав голема разлика - помало абење на делот и многу помалку проблеми за време на работата. Дизајнот е тежок и не бара многу одржување. Тоа ни заштедува и време и пари, а се покажа дека е супер сигурен дел за нашата опрема.
Raydafon е клучна подружница на EVER-POWER Group Co., Ltd. - ние не сме само добавувач, туку и добавувач за висококвалитетни преносни компоненти и индустриски решенија, и многу се фокусираме на иновативни производи како што е универзалната спојка за спојување на карданско вратило SWC. Откако започнавме, се залагаме за унапредување на технологијата и растење на глобалните пазари; не застанавме да продаваме поединечни компоненти - сега создаваме целосно системски решенија кои совршено одговараат на земјоделските и тешките индустриски потреби. Нашето знаење во погонските осовини и производите за пренос значи дека клиентите на кои им е потребна сигурна универзална спојка за тешките спојки за операциите на валавницата (и други тешки работи) може да сметаат на нас како солиден партнер.
Во Raydafon, правиме широк асортиман на производи: менувачи, погонски вратила, хидраулични цилиндри, макари, па дури и напредни машински алати како CNC стругови и машини за глодање. Нашите решенија за универзална спојка со висок вртежен момент - на пример, серијата SWC - се изградени за да се справат со строгите барања на индустриите на кои им е потребна издржлива универзална спојка на вратило на SWC во опремата за подигање и ракување со материјали. Имаме и напредни капацитети: работилници за ЦПУ, машини за мелење и термичка обработка, алатки за мерење 3D-сите за да се придржуваат до стандардите ISO9001/TS16949, така што секоја индустриска универзална спојка за спојување што ја правиме е со врвен квалитет и прецизна.
Ние продаваме 80% од нашите производи во странство, на пазари како САД, Германија, Јапонија, Италија, Малезија, Австралија и Блискиот Исток. Имаме силна мрежа во места како Кина, Јужна Кореја, ОК, Сингапур, САД и Шпанија за да го поддржиме тоа. Овој глобален досег ни овозможува да креираме приспособени решенија, како што е универзалната спојка за спојување на SWC за тешка работа - дизајнирана за тешки машини за универзални системи за спојување на спојките што треба да се справат со големи товари и да траат долго време.
Иновациите и израдувањето на клиентите се наши приоритети. Нудиме универзални решенија за спојување за заштеда на енергија кои достигнуваат до 98,6% ефикасност на преносот, намалувајќи ги оперативните трошоци за поставки со голема моќност. Без разлика дали ви е потребна ефикасна универзална спојка за поврзување за голем пренос на енергија или универзална спојка со низок шум за места каде што бучавата е важна, нашите производи доаѓаат со професионална услуга по продажбата - и ние сме посветени да ги правиме работите правилно. Затоа Raydafon е најдобриот избор за сите ваши потреби за пренос.
Адреса
Индустриска област Луотуо, округ Женхаи, градот Нингбо, Кина
тел
Е-пошта


+86-574-87168065


Индустриска област Луотуо, округ Женхаи, градот Нингбо, Кина
Авторски права © Raydafon Technology Group Co., Limited Сите права се задржани.
Links | Sitemap | RSS | XML | Политика за приватност |
